2.1.1 半加算器と全加算器の実習
加算器の理論
加算器には,下位からの桁上げを考慮しない半加算器(Half Adder)と,下位からの桁上
げを考慮する全加算器(Full Adder)がある.全加算器は,半加算器を2個,直列に接続
した形になる.また,後で示すことになるが,回路の和(Sum)を構成している部分は,
Exclucive ORになっている.
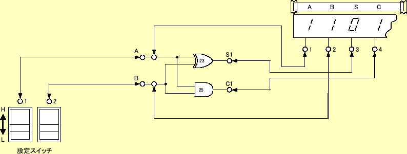
和(Sum)をS,桁上げ(Carry)をCとすれば,半加算器の真理値表は,表
1のようになる.この真理値表から,半加算器では,
次式のような論理式が得られる.
となる.または,
 |
(4) |
と書いても同じである.これらの論理式を論理回路に置き換えると,図
1や2のようになる.
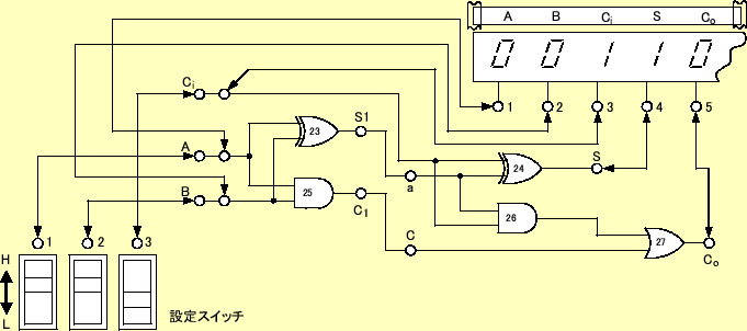
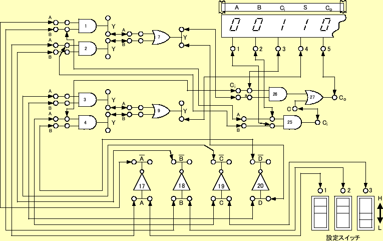
全加算器の真理値表は,表2のようになる.これか
ら,その論理式は
となる.いま,
とすれば,
 |
(9) |
となる.また,
,
とすれば,
となり,さらに,Exclucive OR で表せば,
となる.この論理式は,図3や
4のような論理回路になる.
加算器の実習
図1から図4に示した4つの加算
回路をパネル上で構成し,真理値表を表示器で確認する.実際の実習回路は,図
5から図8に示す.
表 1:
半加算器の真理値表
| A |
B |
S |
C |
| 0 |
0 |
0 |
0 |
| 0 |
1 |
1 |
0 |
| 1 |
0 |
1 |
0 |
| 1 |
1 |
0 |
1 |
表 2:
全加算器の真理値表
| A |
B |
C
 |
S |
C
 |
| 0 |
0 |
0 |
0 |
0 |
| 0 |
0 |
1 |
1 |
0 |
| 0 |
1 |
0 |
1 |
0 |
| 0 |
1 |
1 |
0 |
1 |
| 1 |
0 |
0 |
1 |
0 |
| 1 |
0 |
1 |
0 |
1 |
| 1 |
1 |
0 |
0 |
1 |
| 1 |
1 |
1 |
1 |
1 |
2.1.2 エンコーダー(encoder)の実習
エンコーダーの理論
情報を符号化する回路をエンコーダーと言う.ここでは,10進数を4ビットの2進数コー
ド(たとえば,BCDコード)にコード化するような論理回路について学習する.10進数と
BCDコードの関係は,次のようになる.
|
10進数 |
"0"〜"9" |
| 2進数 |
A= ビット,B= ビット, |
| |
C= ビット,D= ビット
|
として
A="1"+"3"+"5"+"7"+"9"
B="2"+"3"+"6"+"7"
B="4"+"5"+"6"+"7"
B="8"+"9"
とする.この真理値表を,表3に示す.そして,これ
に対応する論理回路を図9に示す.
エンコーダーの実習
パネル上のエンコーダー部分を使用し,図9の論理回路を作成す
る.図10に接続例を示す.
表 3:
エンコーダーの真理値表
| 10進 |
2進出力 |
| 入力 |
D |
C |
B |
A |
| 0 |
0 |
0 |
0 |
0 |
| 1 |
0 |
0 |
0 |
1 |
| 2 |
0 |
0 |
1 |
0 |
| 3 |
0 |
0 |
1 |
1 |
| 4 |
0 |
1 |
0 |
0 |
| 5 |
0 |
1 |
0 |
1 |
| 6 |
0 |
1 |
1 |
0 |
| 7 |
0 |
1 |
1 |
1 |
| 8 |
1 |
0 |
0 |
0 |
| 9 |
1 |
0 |
0 |
1 |
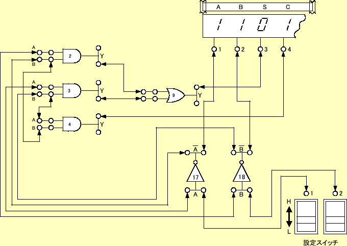
2.1.3 デコーダー(decoder)の実習
デコーダーの理論
符号化された情報を元に戻す回路をデコーダーと言う.ここでは,4ビットの2進数コー
ドを,もとの10進数に戻す回路を学習する.
BCDコードでは,2進数と10進数の関係は,次のようになる.
|
2進数コード |
A= ビット,B= ビット, |
| |
C= ビット,D= ビット |
| 10進数 |
"0"〜"9"として |
| |
"0"=
 |
| |
"1"=
 |
| |
"2"=
 |
| |
"3"=
 |
| |
"4"=
 |
| |
"5"=
 |
| |
"6"=
 |
| |
"7"=
 |
| |
"8"=
 |
| |
"9"=
 |
この式を満足する真理値表は,表4の通りである.そ
の論理回路は,図11の示すとおりである.
デコーダーの実習
パネル上のデコーダーの部分を使用して,11の論理回路を作成す
る.接続例を図12に示す.
2.2.1 累算器を用いた加算回路の実習
加算の理論
2進法による加算方法には,並列加算方式と直列加算方式があるが,本装置では,動
作が分かりやすい直列加算方式を採用している.直列加算方式の基本回路は,図2-2に
示すように被加数レジスタ(A),加数レジスタ(B),加算器桁上げメモリ
(C),および和レジスタ(Y)で構成される.
加算の実行は,被加数レジスタ(A),加数レジスタ(B)のデータを下位ビット
から1ビットずつ右へシフトさせ,加算器で加算したデータを和レジスタに,順次入力
する方法でおこなわれる.レジスタのビット数だけのシフトと加算がおこなわれて,演
算が終了する.加算器による加算は,次のようにおこなわれる.例えば,10進数の
の場合,この式を4ビットの2進数で書きなおすと次式になる.
加算は(A)(B)の
ビットから順次おこなわれ,
で終了するが,その過程を
表5を用いて説明しよう.加算器の入力はA,B,C
の3つで,出力はC
,Sの2つである.またC
のC
に移動
している.
ビットを見ると,A,Bとも"1"で,C
は"0"なので,
SとC
はそれぞれ次式のようになる.
ビットの加算をおこなうためにレジスタをシフトしたとき,C
の
データがメモリに記憶されて,C
に出てくる.
ビットの加算では,
SとC
は,それぞれ次式のようになる.
このように,キャリー出力C
のデータは次回の加算時に,
C
としてあらわれる.これらの動作を,順次
ビット加算まで繰返
しおこなう.
表 5:
加算器動作
![\begin{table}
\begin{center}
\includegraphics[keepaspectratio, scale=1.0]
{figure/logic2/table_kasan_dousa.eps}
\end{center} \end{table}](img62.png) |
図13方式では,レジスタが3個必要であるが,被加数レジス
タの空いたビットに加算機の結果を順番に入れていけば,レジスタは2個ですむ.この
ように,被加数レジスタと和レジスタを兼ねたレジスタを累算器と言う.
累算器を用いた加算の回路構成を図14に示す.この方式では,
累算(連続の加算)が可能になる.例えば,10進数の1+2+5=8の加算をおこなう場合,
次のような動作となる.
- 累算器の内容を全ビット,ゼロにする.&dotfill#dotfill;00000
- 加数レジスタに,10進数1に相当する2進数を設定する.&dotfill#dotfill;00001
- 加数をおこなう.累算器のデータ&dotfill#dotfill;00001
- 加数レジスタに,10進数2に相当する2進数を設定する.&dotfill#dotfill;00010
- 累算器と加数レジスタの加算をおこなう.
累算器のデータ&dotfill#dotfill;00011
- 加数レジスタに10進数5に相当する2進数を設定する.&dotfill#dotfill;00101
- 累算器と加数レジスタの加算をおこなう.
累算器のデータ&dotfill#dotfill;01000
累算器のデータを10進数に変換すれば,8になる.
5ビットのレジスタによる累算の容量は11111で,10進数の31となるので,この範囲まで
の累算がおこなえることになる.ただひ,本装置では,10進数変換回路が19までの容量
しかないので,10進数で見る場合は19までとなり,2進数のままであれば5ビット(10進
数の31)フルに見ることができる.
加算の実習
結線およびスイッチの設定
- 電源スイッチをOFFにする.
- 端子1と2, 4と18, 6と16, 7と17および10と11間をリードチップで接続する.
(図13参照)
- 「A」累算器のシフト方向スイッチを,
印方向に設定する.
- 「B」
レジスタの表示器ON/OFFスイッチを,OFFにする.
- 「M」レジスタの表示器ON/OFFスイッチを,OFFにする.
- 10進数表示器ON/OFFスイッチを,左右の2個ともOFFにする.
- 「A」
/「A」切換スイッチを「A」側に設定する.
- 電源スイッチをONにし,以下の操作をおこなう.
操作順序
具体的な数値(たとえば7+5=12)を用いて,操作順序を説明する.演算の過程は,
図16に示す.
[]
- =1pt =0.2pt CLをプッシュして,各レジスタの内容と表示をゼロにする.
- レジスタ選択(A)をプッシュする.
- 数字設定キーの=1pt =0.2pt 7をプッシュする.「A」累算器には,被加数7に
相当する2進数がセットされる.
- レジスタ選択スイッチの(B)をプッシュする.
- 数字設定キーの=1pt =0.2pt 5をプッシュする.「B」レジスタには,加数5に
相当する2進数がセットされる.
- =1pt =0.2pt ADDをプッシュして,「A」累算器と「B」レジスタの最下位ビッ
トどうしの加算をおこなう.S=0, C
=1となる.
- =1pt =0.2pt Iを1回プッシュして,「A」累算器と「B」レジスタの内容
を,右へ1ビットシフトさせる.S=0のデータは「A」累算器の最上位
ビットに記憶され,C
=1のデータは桁上げメモリに記憶されて,
C
=1となる.
- =1pt =0.2pt ADDをプッシュして,[6]と同様に加算をおこなう.S=0,
C
=1となる.
- =1pt =0.2pt Iを1回プッシュして,[7]と同様にシフトさせる.S=0のデー
タは「A」累算器の最上位ビットに記憶され,C
=1のデー
タは桁上げメモリに記憶されて,C
=1となる.
- =1pt =0.2pt ADDをプッシュして,[6]と同様に加算をおこなう.S=1,
C
=1となる.
- =1pt =0.2pt Iを1回プッシュして,[7]と同様にシフトさせる.S=1のデー
タは「A」累算器の最上位ビットに記憶され,C
=1のデー
タは桁上げメモリに記憶されて,C
=1となる.
- =1pt =0.2pt ADDをプッシュして,[6]と同様に加算をおこなう.S=1,
C
=0となる.
- =1pt =0.2pt Iを1回プッシュして,[7]と同様にシフトさせる.S=1のデー
タは「A」累算器の最上位ビットに記憶され,C
=0のデー
タは桁上げメモリに記憶されて,C
=0となる.
- =1pt =0.2pt ADDをプッシュして,[6]と同様に加算をおこなう.S=0,
C
=0となる.
- =1pt =0.2pt Iを1回プッシュして,[7]と同様にシフトさせる.S=0のデー
タは「A」累算器の最上位ビットに記憶され,C
=0のデー
タは桁上げメモリに記憶されて,C
=0となる.以上の操作で,
5ビット全部の演算が終了する.「A」累算器には,演算結果の和
(
)が記憶されている.
- [15]の2進数データを10進数表示するために,10進数表示器ON/OFFスイッ
チの左側のスイッチをONにすると,"12"と表示される.
注意
- キーをプッシュするときは,1個ずつゆっくりプッシュすること.2個ずつ
や,中途半端な操作は誤作動の原因となる.
- 累算をおこなう場合は,まずCP1をリセットする.そのためには,CP1の表
示が"0"になるように,=1pt =0.2pt Iをプッシュする.同様のことが,=1pt =0.2pt II
IIIをプッシュすることによってもできる.なお,=1pt =0.2pt CLをプッシュする
と,全部の設定がリセットされるので注意すること.
- CP1をリセットしたのち,2.2.1節の"操作順序"の
[4]以降を,再度操作すること.累算がおこなわれる.
- "2.2.1 累算器を用いた加算回路の実習"では,累算がお
こなえるように累算器を使用しているが,累算器を被加数レジスタとして加算
をおこなう場合は,次のように設定すること.
- 端子1と2,3と4,6と16,7と17,10と11,18と19および23と25をリードチップで
接続する.
- 「A」累算器のシフト方向スイッチを,
印方向に設定する.
- 「M」レジスタのシフト方向スイッチを,
印方向に設定する.
- 「B」
レジスタの表示器ON/OFFスイッチをOFFにする.
- 「M」レジスタの表示器ON/OFFスイッチをONにする.
- 10進数表示器ON/OFFスイッチを左右の2個ともOFFにする.
- 「A」+「M」/「M」切換スイッチを,「M」側に設定する.
- 2.2.1節の"操作順序"の[1]〜[15]をおこなう.
ただし,シフトさせたデータが「M」レジスタに入るため,図
16の「A」累算器の表示は,最終的には,「M」
レジスタにあらわれる.
- 「M」レジスタの2進数データを10進数表示するため,10進数表示器ON/OFFスイッ
チの右側のスイッチをONにする.
図 15:
加算の場合の結線と操作順序.[ ]内の数字は操作順序を表す.
|
69#1
|
図 16:
加算におけるレジスタや累算器等のビットパターン
|
|
減算の理論 減算は,減数の補数と被減数の加算をお
こなうことにより実行される.したがって,加算回路に補数器が付け加えられた回路構成
となる.図17に減算の基本回路を,図
18に累算器を用いた減算回路をそれぞれ示す.本装置の補数器
は,2の補数を得るためにまず,入力されたデータを否定回路で反転し,その後,最下位
ビットに1を加える方法を採用している.
減算においては,その結果(差)が負数になることもある.正・負の判別は,最上位ビット
が1なら負数,0なら正数になる.その様子を表6に示す.た
だし,これは"0"〜"9"までを5ビットの2進数で表示した場合で,4ビットで表示したとき
は,"0"〜"7"までしか判別できない.累算をしない1桁の減算の場合,最も大きな負数に
なるのは0-9=-9なので,5ビット表示が必要である.
累算をおこなう1桁の減算の場合,-15まで負数の判別ができる.表
6に,"0"〜"16" における5ビットの正数と負数の2進数表示
を示する."16"では正数も負数も同じ表示となり,判別できない.
減算の実習
結線およびスイッチの設定
- 電源スイッチをOFFにする.
- 端子1と2,4と18,7と17,10と11,15と16および21と22をリードチップで接続する.
(図19参照)
- 「A」累算器のシフト方向スイッチを,,
印方向に設定する.
- 「B」
レジスタの表示器ON/OFFスイッチを,ONにする.
- 「M」レジスタの表示器ON/OFFスイッチを,OFFにする.
- 10進数表示器ON/OFFスイッチを,左右の2個ともOFFにする.
- 「A」
/「A」切換スイッチをいったん「A」側に設定する.
これは,演算結果によりどちらかを選ぶためである.演算結果が正数のときは
「A」側に,負数のときは「A」
側に設定する.
- 電源スイッチをONにし,以下の操作をおこなう.
操作順序
具体的な数値(たとえば1-9=-8)を用いて,操作順序を説明する.演算の過程は,図
20 を使って,説明する.
[]
- =1pt =0.2pt CLをプッシュして,各レジスタの内容と表示をゼロにする.
- レジスタ選択(A)をプッシュする.
- 数字設定キーの=1pt =0.2pt 1をプッシュする.「A」累算器には,被減数1に
相当する2進数がセットされる.
- レジスタ選択スイッチの(B)をプッシュする.
- 数字設定キーの=1pt =0.2pt 9をプッシュする.「B」レジスタには,減数9に相当
する2進数がセットされ,「B」
レジスタには,減数(「B」
レジスタ)の補数(補数)がセットされる.
- =1pt =0.2pt ADDをプッシュして,「A」累算器と「B」
レジス
タの最下位ビット同士の加算をおこなう.S=0,C
=1とな
る.
- =1pt =0.2pt Iを1回プッシュして,「A」累算器と「B」
レジス
タの内容を,右へ1ビットシフトさせる.S=0のデータは「A」累算器
の最上位ビットに記憶され,C
=1のデータは桁上げメモリに記
憶されて,C
=1となる.(「B」レジスタの内容(減数)も,
ともにシフトするが,実際の演算には無関係となり,表示されているだけとな
る.)
- =1pt =0.2pt ADDをプッシュして,[6]と同様に加算をおこなう.S=0,
C
=1となる.
- Iを1回プッシュして,[7]と同様にシフトさせる.S=0のデータは
「A」累算器の最上位ビットに記憶され,C
=1のデータは
桁上げメモリに記憶されて,C
=1となる.
- =1pt =0.2pt ADDをプッシュして,[6]と同様に加算をおこなう.S=1,
C
=1となる.
- =1pt =0.2pt Iを1回プッシュして,[7]と同様にシフトさせる.S=1のデータは
「A」累算器の最上位ビットに記憶され,C
=1のデータは
桁上げメモリに記憶されて,C
=1となる.
- =1pt =0.2pt ADDをプッシュして,[6]と同様に加算をおこなう.S=1,
C
=1となる.
- =1pt =0.2pt Iを1回プッシュして,[7]と同様にシフトさせる.S=1のデータは
「A」累算器の最上位ビットに記憶され,C
=0のデータは
桁上げメモリに記憶されて,C
=0となる.
- =1pt =0.2pt ADDをプッシュして,[6]と同様に加算をおこなう.S=1,
C
=0となる.
- =1pt =0.2pt Iを1回プッシュして,[7]と同様にシフトさせる.S=1のデータは
「A」累算器の最上位ビットに記憶され,C
=0のデータは
桁上げメモリに記憶されて,C
=0となる.以上の操作で,5ビッ
ト全部の演算が終了する.「A」累算器には,演算結果の差が記憶されて
いるが最上位ビットを見ると"1"なので,負数をあらわしている.
- 「A」累算器のデータが負数(最上位ビットが1)のときは,「A」
/「A」切換スイッチを「A」
側に設定し,正数
(最上位ビットが0)のときは「A」側に設定する.
- 「A」累算器の2進数データを10進数表示するために,10進数表示器ON/OFFス
イッチの左側のスイッチをONにすると,"12"と表示される.
注意
- 累算をおこなう場合の負数判別は-1から-15までなので,あらかじめその範囲内
に入るように数値を設定すること.
- 累算をおこなう場合は,まずCP1をリセットする.その方法は,CP1の表
示が"0"になるように,=1pt =0.2pt Iをプッシュする.また,=1pt =0.2pt I IIをプッ
シュすることによってもできる.なお,CLをプッシュすると,全部の設定
がリセットされるので注意が必要である.
- CP1をリセットしたのち,減数の実習の"操作順序"の[4]以降を,再度
操作すること.累算がおこなわれる.
- 減算の実習は,図18(累算器を用いた減算回路)を用
いるが,図17(減算の基本回路)の方式は,「M」
レジスタに補数器がないためにできない.
図 19:
減算の場合の結線と操作順序.[ ]内の数字は操作順序を表す.
|
|
図 20:
減算におけるレジスタや累算器等のビットパターン
|
74#2
|
ホームページ:
Yamamoto's laboratory著者:
山本昌志
Yamamoto Masashi
平成17年10月21日